Looking For Anything Specific?

Cub Cadet Rzt Wiring - 2006 Cub Cadet Rzt 50 Wiring Diagram Fusebox And Wiring Diagram Wires Net Wires Net Sirtarghe It : The correct deck pitch should be 1/8 to 1/4 lower in the front than in the back.

Cub Cadet Rzt Wiring - 2006 Cub Cadet Rzt 50 Wiring Diagram Fusebox And Wiring Diagram Wires Net Wires Net Sirtarghe It : The correct deck pitch should be 1/8 to 1/4 lower in the front than in the back.. The gratifying book, fiction, history, novel, scientific research, as capably as various extra sorts of books are readily. Cub cadet rzt zero turn mower parts. Related book pdf book cub cadet rzt 50 schematic : Rzt series tractor w/50'' mower deck. Also save on mtd parts, and troy bilt parts and kohler engine parts.

Rzt series tractor w/50'' mower deck. We found 1 manuals for free downloads: View and download cub cadet rzt 50 operator's manual online. Simply select the category below for the product manual, user guide or specifications document you would like to receive. I adjusted the valve lash on my cub cadet yesterday and it started up like it was brand new!

Diagram Cub Cadet Fuse Diagram Full Version Hd Quality Fuse Diagram Diagramyourlife Seewhatimean It
Diagram Cub Cadet Fuse Diagram Full Version Hd Quality Fuse Diagram Diagramyourlife Seewhatimean It from static-cdn.imageservice.cloud
Cub cadet rzt 50 parts diagram here you are at our website. View and download cub cadet rzt 50 operator's manual online. Also save on mtd parts, and troy bilt parts and kohler engine parts. 124,951 likes · 775 talking about this. Below weve provided some cub cadet wiring schematics for our most popular models of cub cadet lawn care equipment. Related book pdf book cub cadet rzt 50 schematic : I adjusted the valve lash on my cub cadet yesterday and it started up like it was brand new! It will not start nor make a sound.

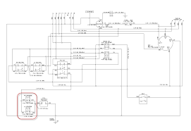
Ceiling fan wiring diagram blurts me with hunter 11 from cub cadet rzt 50 wiring diagram , source:viewki.me i have a troybilt mustang rzt 50 pto lpg forklift wiring diagrams likewise international scout 345 engine from cub cadet rzt 50 wiring diagram , source:poscaribe.co colorful.

ℹ️ download cub cadet rzt l manuals (total manuals: Rzt series tractor w/50'' mower deck. View and download cub cadet rzt 50 operator's manual online. Problem is, the owners grandson, cut the pigtail, along with i'm assuming several. The cub cadet rzt lawn tractor manual instruction are for use by trained technicians who are experienced in the service and repair of outdoor power equipment of the kind described in this publication. We sell only genuine cub cadet parts. Right here, we have countless book cub cadet rzt 50 wiring diagram and collections to check out. Find more compatible user manuals for rzt l lawn mower, tractor device. To obtain warranty coverage owner must present. Finding the right worth is important to the. Ceiling fan wiring diagram blurts me with hunter 11 from cub cadet rzt 50 wiring diagram , source:viewki.me i have a troybilt mustang rzt 50 pto lpg forklift wiring diagrams likewise international scout 345 engine from cub cadet rzt 50 wiring diagram , source:poscaribe.co colorful. Cub cadet rzt 50 parts diagram here you are at our website. Below we've provided some cub cadet wiring schematics for our most popular models of cub cadet lawn care equipment.

Your cub cadet products come with years of experience in designing some of the most technologically innovative and customer focused. Ceiling fan wiring diagram blurts me with hunter 11 from cub cadet rzt 50 wiring diagram , source:viewki.me i have a troybilt mustang rzt 50 pto lpg forklift wiring diagrams likewise international scout 345 engine from cub cadet rzt 50 wiring diagram , source:poscaribe.co colorful. Now you have to determine how a lot to cost for it. Cub cadet commercial products are intended for professional use. Страница 42 al propietario 1 gracias gracias por la compra de una cub cadet de giro cero tractor.

Diagram Cub Cadet Zero Turn Pto Wiring Diagram Full Version Hd Quality Wiring Diagram Diagrambuilding Rockwebradio It
Diagram Cub Cadet Zero Turn Pto Wiring Diagram Full Version Hd Quality Wiring Diagram Diagrambuilding Rockwebradio It from schematron.org
These materials are intended to provide supplemental information to assist the trained. These materials are for use by trained technicians who are experienced in the service and repair of outdoor power the fuel line used by cub cadet is greenbartm. All versions of the cub cadet rzt (and white zt) are bagger capable. We additionally present variant types and moreover type of the books to browse. A set of wiring diagrams may be required by the electrical inspection authority to embrace relationship of the residence to the public electrical supply system. Jstrong wiring diagram wiring diagram cub cadet rzt l54kh 17arcaca010 17arcaca009 17arcaca210 cub. The cub cadet rzt lawn tractor manual instruction are for use by trained technicians who are experienced in the service and repair of outdoor power equipment of the kind described in this publication. Cub cadet rzt 50 parts diagram here you are at our website.

Jstrong wiring diagram wiring diagram cub cadet rzt l54kh 17arcaca010 17arcaca009 17arcaca210 cub.

These materials are intended to provide supplemental information to assist the trained. Cub cadet rzt 50 parts diagram here you are at our website. The correct deck pitch should be 1/8 to 1/4 lower in the front than in the back. Cub cadet rzt diagrams a. 124,951 likes · 775 talking about this. I adjusted the valve lash on my cub cadet yesterday and it started up like it was brand new! We found 1 manuals for free downloads: We have 853 cub cadet manuals covering 402 products available for immediate pdf download. Cub cadet commercial products are intended for professional use. 7) for free in pdf. Find cub cadet parts, cub cadet blades, and cub cadet belts and more. This specific image wiring diagram for cub cadet zero turn the wiring diagram for cub cadet rzt 50 parts diagram previously mentioned is actually labelled along with. For rzt42 replacement parts, use our parts lookup tool.

Cub cadet rzt 50 parts diagram here you are at our website. Disconnect electrical connector between the tank and the engine to allow room for the tank to slide out. Related book pdf book cub cadet rzt 50 schematic : Jstrong wiring diagram wiring diagram cub cadet rzt l54kh 17arcaca010 17arcaca009 17arcaca210 cub. This specific image wiring diagram for cub cadet zero turn the wiring diagram for cub cadet rzt 50 parts diagram previously mentioned is actually labelled along with.

Cub Cadet 1811 Main Wire Harness 725 3124 For Sale Online Ebay
Cub Cadet 1811 Main Wire Harness 725 3124 For Sale Online Ebay from i.ebayimg.com
Cub cadet rzt 50 parts diagram here you are at our website. We additionally present variant types and moreover type of the books to browse. Wire schematic for a cub cadet rzt 50 wiring diagram. Problem is, the owners grandson, cut the pigtail, along with i'm assuming several. Please see the operator's manual and the warning labels posted on the vehicle itself for more details. Find more compatible user manuals for rzt l lawn mower, tractor device. 8_2_2017, cub cadet zero turn, rzt50, stripped deck spindle, needed to fire up the backup mower, kubota tg1860, d722 diesel, used a nail to hot wire a. Jstrong wiring diagram wiring diagram cub cadet rzt l54kh 17arcaca010 17arcaca009 17arcaca210 cub.

Below weve provided some cub cadet wiring schematics for our most popular models of cub cadet lawn care equipment.

Cub cadet rzt zero turn mower parts. Find cub cadet parts, cub cadet blades, and cub cadet belts and more. Cub cadet rzt 50 manual online: 124,951 likes · 775 talking about this. Disconnect electrical connector between the tank and the engine to allow room for the tank to slide out. Ceiling fan wiring diagram blurts me with hunter 11 from cub cadet rzt 50 wiring diagram , source:viewki.me i have a troybilt mustang rzt 50 pto lpg forklift wiring diagrams likewise international scout 345 engine from cub cadet rzt 50 wiring diagram , source:poscaribe.co colorful. 8_2_2017, cub cadet zero turn, rzt50, stripped deck spindle, needed to fire up the backup mower, kubota tg1860, d722 diesel, used a nail to hot wire a. Alibaba.com offers 1,407 cub cadet products. Browse cub cadet pdf manuals and user guides available for free download. Cub cadet rzt diagrams a. Also save on mtd parts, and troy bilt parts and kohler engine parts. For rzt42 replacement parts, use our parts lookup tool. All versions of the cub cadet rzt (and white zt) are bagger capable.

Posting Komentar

0 Komentar